Что нужно знать при выборе корпуса системного блока | тим компьютерс
Внимание! Эта статья опубликована более 10 лет назад. Информацию о современных моделях корпусов
для настольных компьютеров можно получить по следующим ссылкам:
Корпус (здесь и ниже — корпус системного
блока) является одним из наиболее долговечных компонентов компьютера, который
переживает не один апгрейд,
в частности, смены «матерей». Раньше выбор компонент
компьютера можно было начинать с его корпуса. Теперь это не совсем так: такие
монстроидальные процессоры, как верхние модели Pentium 4 и Athlon, диктуют
выбор шасси, блока питания, системной платы и др. Вообще, чем лучше
пользователь представляет назначение своего компьютера и прогнозирует его
эволюцию, тем удачнее можно сделать выбор корпуса.
Корпус в значительной степени определяет
внешний вид компьютера и невольно влияет на рабочую обстановку. Дизайн корпуса
надо подобрать по своему вкусу. Одному нравятся строгие формы,

другому — авангардные.

С учетом всего сказанного к выбору корпуса надо подойти тщательно.
Речь пойдет исключительно о настольных корпусах, ибо серверные корпуса — отдельная песня. Вот как они могут выглядеть:

Собственно корпус (/img/labs/lab55img, реже Housing) состоит из несущего шасси
(chassis), внешних стенок или единого чехла и блока питания (power supply unit, PSU).
Все компоненты компьютера (а их может быть до двух десятков) можно условно разделить на 2 класса:
- медленно стареющие (и морально и физически);
- быстро стареющие (или морально или физически).
Существует универсальный принцип покупателя,
годящийся для любой вещи: медленно стареющие компоненты надо покупать как можно
лучше, на пределе возможного, так как следующий апгрейд будет не скоро. В
компьютере такими компонентами являются дисплей и корпус.
Совет: Не жалейте денег на качественный корпус.
Корпус обычно имеет форму параллелепипеда, у
которого есть ярко выраженная малая сторона и две больших.
Если корпус в рабочем положении лежит «плашмя», на большой
грани, то он относится к классу десктоп (desktop — настольный).

Заметим, что подклассом десктопов являются тонкие корпуса слим (slim), применяемые для офисных компьютеров.

Если корпус в рабочем положении стоит «на ребре», то он относится к классу башня (tower, тауэр).

Десктопы преобладали раньше, во времена малых дисплеев, и использовались в роли подставки для них.

Однако обычные CRT дисплеи становились все
больше и тяжелее (на смену прежним 14-15″ пришли нынешние 17″ и 19″, а на горизонте уже замаячили
21″) и наиболее удобным их положением для глаз стало размещение на столе, без
всяких подставок. Вдобавок, не всякий корпус выдержит такую тяжесть, а как неприятно
переставлять дисплей, если надо открыть корпус. Поэтому десктопы используются,
в основном, в качестве офисных компьютеров. Но и там их для экономии места
обычно стараются убрать на полку офисного стола. Немалая часть десктопов
выполнена в гибридных корпусах.
Башня, напротив, занимает немного места. На ее
верхней стороне удобно разместить внешний модем, а самим корпусом загородить
дисплей от бокового света. В башне также легче организовать охлаждение.
Есть и гибридные корпуса, т.е. те, которые
можно смонтировать как десктоп или как башню. В развитых моделях можно
повернуть привод компакт дисков, есть две лицевые панели и отдельная панель для
дна с ножками. Однако, как и все гибридное, это выливается в повышенную
стоимость и необходимость хранить дополнительные части.
Совет: корпусы-башни представляются более универсальным решением.
Число больших внешних отсеков, как увидим чуть
ниже, является важным параметром выбора. Поэтому башни удобно различать по
этому числу, придерживаясь следующих названий (в порядке возрастания): микро (micro),мини(mini), мини-миди,миди (midi, middle — средняя) и полная (big, full).
Подчеркнем, что
данная классификация не стандартизована (но согласуется с терминологией
компании Intel). Например, некоторые компании, не производящие корпуса с более чем 3
отсеками (а таких немало), не нуждаются в названии мини-миди, и заменяют его
просто на миди (соответственно, «сдвигается» название полной башни). Другие компании вообще не
пользуются данными терминами и только указывают, какой форм-фактор системных
плат (см. ниже) поддерживает корпус, например, Flex ATX.

Микро башня
Мини башня
Мини-миди башня
Миди башня
Полная башня
Напомним, что корпус имеет некоторое число
больших (5.25″) и малых (3.5″) внешних отсеков (bay, читается бэй),
выходящих на лицевую сторону. Незаполненные отсеки закрыты заглушками. В отсеки
обычно вставляются те устройства, к которым требуется доступ в процессе работы,
например, приводы съемных дисков (однако могут вставляться, например,
дополнительные вентиляционные блоки).
Число малых внешних отсеков во внимание не
принимается, так как их число равно 1-2 для всех типов. Возможно, это
объясняется относительно малым разнообразием приводов форм-фактора 3.5″:
привод обычных дискет (иногда выполняется в виде щели), привод дискет
повышенной емкости (LS-120, ZIP и т.д.) и магнитооптика (от Sony и Fujitsu).
Недорогие микро-башни в основном используются в офисах.
Полные башни используются в основном как серверы, так как в них
помещается большое число дисководов и удобно организуется охлаждение. Полные башни обычно имеют дверцу, закрывающую отсеки и кнопки.
Продвинутые пользователи также любят этот тип корпуса за вместительность и
держат башню под столом.
Мини, мини-миди и миди башни наиболее широко используются для домашних
компьютеров и для корпоративных рабочих станций. Мини-миди и миди башни
предпочтительнее, особенно для мультимедийного компьютера, так как в последнее
время выросло число претендентов на большой отсек. Вот только некоторые из них:
- Приводы
компакт дисков. Это теперь обязательный компонент.
Даже при использовании комбайна CD/RW-DVDROM требуется как минимум один отсек. - Фрейм
(он же mobile
rack) для
жесткого диска. Удобен для резервирования данных и
обработки мультимедийных файлов. Включается внешним ключом по мере
необходимости. Диск помещается в кассете, которая легко вынимается и может
храниться отдельно. - Модуль портов Drive IR, входящий в комплект звуковой карты Creative SB
Live! Platinum 5.1.

- Модуль мониторинга и управления Asus iPanel,
как дополнение к системной плате.

Заметим, что в большой отсек можно также
помещать малые устройства через переходную рамку — «штаны».
Кроме того, только корпусом мини-миди и миди
башни можно полностью загородить 17″ дисплей от яркого бокового света: высоты
мини башни для этого недостаточно.
Совет: Для расширяемости и мультимедийности отдавайте предпочтение мини-миди и миди башням
по сравнению с мини башней.
Этот параметр напрямую связан с совместимостью
корпуса с системными платами.
Первоначальное значение этого несколько
мудреного термина — отношение сторон, например, 3:2 для прямоугольника. В техническом
значении — это прежде всего задание геометрии устройства, так, например, говорят
о дисководах с форм-фактором 3.5″, т.е. помещающихся в малый отсек. В
полном значении — это, помимо геометрии, еще как минимум параметры
электропитания (напряжение, распределение по контактам и т.д.), но могут быть и
дополнительные параметры. Именно в таком значении применяется термин
форм-фактор (ниже, для краткости, иногда ФФ) для корпусов и системных плат.
Существуют спецификации на корпуса и системные
платы (так как эти устройства должны быть совместимы между собой), где
определяются форм-факторы этих устройств.
В настоящее время таких спецификаций две:
- АТ. Это
довольно старая спецификация от IBM. - ATX. Новая
спецификация от Intel. Постоянно обновляется.
Главное отличие — различное электропитание, несовместимое между собой.
Ориентироваться надо на ATX, какимеющую
существенные преимущества. Новые высокочастотные процессоры требуют только ATX.
ФФ корпуса записывается так:
ФФ_системной_платы геометрический_тип
например, ATX мини-миди башня. Это
означает, что корпус поддерживает системные платы ФФ ATX. Здесь только надо
учитывать, что системная плата указывается максимального размера из
поддерживаемых корпусом. Так, если корпус поддерживает плату с ФФ ATX, то он
поддерживает и платы меньшего размера mini-ATX и microATX (что естественно с
точки зрения универсальности). Очевидно, что для совместимости с платой
значение имеет только первый спецификатор, а плату, скажем, с ФФ ATX можно
вставить как в десктоп, так и в башню.
Существуют и гибридные корпуса и платы в смысле поддержки ФФ. Это, в частности, означает,
что они поддерживают оба типа питания. Применяют для апгрейда с максимальным
использованием прежних компонент. Для гибридного корпуса записывают, например, AT/ATX
мини башня.
Ниже рассматриваются ФФ системных плат и корпусов.
Заметим, что АТ корпуса в подавляющем
большинстве являются десктопами.
Для ФФ плат есть 3 семейство размеров:
- Full AT. Использовалась исключительно в
серверных корпусах. - Baby
AT(BAT). Нормальный размер. - С
глубиной 3/4 и 2/3 глубины BATпри той же ширине.
Название «глубина» говорит о преимущественном использовании в десктопах.
Единственный плюс корпусов и плат ФФ AT — дешевизна. Впрочем, абсолютное большинство BAT плат имеют комбинированное
AT/ATX питание. Так что подойдут и в АТX корпус.
Наращивание тактовых частот и вызванные этим
проблемы охлаждения побудили компанию Intel выпустить в середине 90-х
годов спецификацию АТX, предлагающую ряд усовершенствований по сравнению с AT.
Собственно ATX раскрывается как AT Extension, что означает развитие
AT. Среди примечательных усовершенствований отметим:
- Подача на плату уже готового
напряжения 3.3 В от блока питания. На платы AT
подается только 5 В, а 3.3 В получается преобразователем напряжения на этой
плате. Отказ от этого упрощает системную плату и улучшает тепловой режим. - Упрощение разъема питания.
В ATX от блока питания идет один разъем на плату, причем перепутать его
положение при подключении нельзя. В АТ — два разъема, которые в принципе можно
вставить неправильно (вставлять надо черными проводами к середине). - Более рациональная компоновка платы, позволяющая избавиться от кабелей портов и уменьшающая длину
интерфейсных кабелей.
Кстати, наличие разъемов портов на самой плате является наиболее простым способом
отличить корпуса и платы ATX от AT, не снимая кожуха. Кабели, ведущие к портам,
играли роль приемных и передающих антенн для электромагнитных излучений. - Возможность выключение компьютера из
ОС, в том числе из всех современных версий Windows.
В последующем выходили новые версии спецификации АТX, отражавшие новые уровни развития. В
настоящее время известна версия 2.03 (1998 г.). Кроме того, существуют
документы, описывающие различные опциональные расширения.
В спецификациях на корпуса обычно указывается их соответствие тем или иным
документам серии АТX.
Подчеркнем, АТX — комплексная спецификация на системные платы, шасси и блоки питания. Например
регламентированы положения отверстий для крепления системных плат к несущей
пластине.
Рассмотрим распространенные ФФ системных плат,
определенных в спецификации АТX:
- ATX (ФФ,
одноименный спецификации!). Достаточно большой размер, позволяющий разместить
целых 7 слотов карт расширения (PCI, AGP, AMR, CNR, ACR, ISA). Плата совместима с
корпусами десктоп и башнями, начиная с мини. Именно такие платы рекомендуются
для мультимедийных компьютеров. Является аналогом Baby AT. - Mini-ATX имеет
несколько меньшие размеры и позволяет разместить 6 слотов карт. Плата
совместима с теми же корпусами, что и платы ATX. - MicroATX представляет собой уменьшенную АТX:
большая сторона прямоугольника уменьшилась до квадрата. Позволяет разместить 4
слота. Основное применение — офисные компьютеры, где большое число карт не
требуется. Наибольшая бюджетная экономия получается при использовании корпусов микро башня, которые имеют ФФ MicroATX.
Однако плата совместима и с бОльшими ATX корпусами.
Совместимость
корпусов и плат представлена в следующей таблице.
Заметим что для
сверхтонких офисных корпусов есть еще ФФ системных плат NLX; ФФ корпуса
называется NLX слим. Есть еще уменьшенный вариант ФФ MicroATX, который
называется FlexATX. Одно из его применений — Интернет приставки, исполняемые в
одном корпусе с дисплеем.
Как уже говорилось, блок питания входит в
комплект корпуса. Однако в поставку корпуса одного типа могут входить различные
блоки, в частности, отличающиеся мощностью.
Существует несколько стандартных значений
мощности: 200, 230, 235, 250, 300 Вт (бывают и меньшие). Причем это полезная
мощность, т.е. выдаваемая в нагрузку. Какое значение выбрать?
Для офисных компьютеров почти всегда
достаточно мощности 200 Вт.
Для домашнего мультимедийного компьютера (с
2-3 большими отсеками) можно порекомендовать 230 — 250 Вт.
Наконец, для рабочих станций, которые
выполняют «тяжелые» приложения на протяжении многих часов и построены на верхних моделях
процессоров, достаточно 300 Вт. Вообще здесь ситуация меняется и полезно или
посмотреть рекомендации производителя процессоров (если компьютер проектируется
самостоятельно), или довериться квалифицированным сборщикам (если компьютер собирается
на заказ).
Как уже говорилось, корпус приобретается не на один год, а тенденцией последних лет
является рост тактовых частот процессоров (согласно знаменитому закону Мура
происходит удвоение за полтора года), числа оборотов жестких дисков, мощности
графических 3D ускорителей. Поэтому не будет большой беды, если выбирается
бОльшая мощность, «на вырост».
На блоке питания (помимо обязательного
сетевого разъема-вилки) могут находиться или розетка для питания каких-либо
устройств, или выключатель (последнее характерно для ATX корпусов).
У ATX питания напряжение все время подается на
системную плату. Если нужно провести работы внутри корпуса, например, добавить
модуль памяти, то нужно обесточить компьютер.
Выключатель на блоке питания позволяет быстро обесточить системную плату.

Совет: отдавайте предпочтение выключателю.
Дисплей при этом подключается к отдельной розетке его стандартным кабелем. При подключении через корпус экономится
розетка, но нужен переходник, так что выигрыш сомнительный. А кроме дисплея,
питать вроде больше нечего.
В случае AT корпусов использование розетки
тоже нежелательно, так как кнопка питания компьютера одновременно включает и
его, и дисплей. Это ведет к обгоранию выключателя, так как большие CRT дисплеи
потребляют приличную мощность.
В таких блоках питания скорость вращения их
вентилятора управляется термодатчиком, установленным в самом блоке. Таким
образом, управления со стороны подсистемы мониторинга системной платы не
требуется.
Наличие термоконтроля блока питания
благоприятным образом сказывается на снижении шума.
От блока питания требуется стабильно выдавать
нужные номиналы и служить долго и безотказно. Развитые блоки также исправляют
разбросы во входном питании и подавляют шумы. Например, блок питания Seasonic
SR-250FS-Rx допускает разбросы 180-264 В по напряжению и 47-63 Гц по
частоте.
Качество блока питания в значительной степени
определяет долговечность внутренних компонент. Если засбоил блок питания, то,
во-первых, никакие внешние устройства питания (фильтры, стабилизаторы и т.д.)
не помогут. К тому же эти сбои трудно диагностировать и можно потратить уйму
времени на проверку главной платы, памяти и т.д. пока не дойдет очередь до
блока питания.
Срок работы блока питания составляет 4-7 лет,
а продлить его можно, реже выключая и включая компьютер, причем интервал между
последовательным выключением и включением должен составлять не менее 10 секунд.
При выходе блока питания из строя его проще заменить, чем ремонтировать. Блоки
питания продаются отдельно, но стоимость хороших блоков доходит до $35-40
(поэтому хороший корпус в принципе не может стоить $40).
Гарантией качества блока питания является
наличие хотя бы одного сертификата авторитетных тестовых лабораторий из числа:
UL, CSA, TUV, CB, CE, VDE, FCC, FTZ, DEMKO, NEMKO, FIMKO & SEMKO (это
указывается в спецификации к блоку). Соответствующие наклейки располагаются на
видном месте блока. Обычно в предложениях продавцов ограничиваются упоминанием
TUV (что, в принципе, достаточно).
Совет: Выбирайте сертифицированные блоки питания.
Как уже говорилось, ряд современных компонент
являются «горячими» (процессор, чипсет, графическая карта, высокооборотные жесткие диски и
др.). Поэтому актуальной является проблема охлаждения этих компонент. Решается
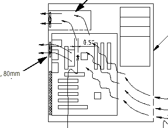
она созданием охлаждающих воздушных потоков в корпусе, как показано на рисунке
(а также системой температурного контроля, что относится к возможностям системной
платы).

Рассмотрим рекомендации, большинство из
которых принадлежит Intel.
Это очень понятная рекомендация. Абсолютное
большинство блоков питания выдувают воздух наружу, что естественно, так как сам
блок питания выделяет приличное количество тепла (см. таблицу выше). Теплый
воздух поднимается в корпусе наверх, где его и надо выдувать.
Этой очевидной рекомендации, во-первых, не
придерживаются продававшиеся одно время «авангардные» модели CAT
с нижним расположением блока питания (и отсеков).
Во-вторых, корпуса, где блок питания смещен
вниз, а над ним находится «корзина» для 1..3 жестких дисков. Минусами
являются непроветриваемая зона, длинные интерфейсные кабели, перекрытие
системной платы.
Решетку на задней стороне рекомендуется иметь
из никелированной проволоки (как на рисунке). Она имеет минимальное
сопротивление воздуху и поэтому меньше шумит.
Обязательна нижняя решетка, имеющая решающее
значение для вентиляции корпуса (см. рисунок выше).

Решетка должна быть во всю ширину стенки, как
на приведенном рисунке (блок поставлен на бок).
Часто есть еще дополнительные решетки, на
передней или боковой стенках.
В некоторых шасси делают полку для повышения
жесткости и раньше ее наличие считалось достоинством. Теперь с точки зрения
охлаждения такая полка нежелательна, так как перегораживает воздушный поток.
Большинство современных корпусов такой полки не имеет.

В крайнем случае полка не должна перекрывать вентиляционные отверстия на блоке питания.
Такие отверстия обязательны. Прежде всего они должны быть на лицевой стенке корпуса, в нижней ее части (иногда отверстия «смотрят» вниз и бывают не видны).

Для вентиляции очень полезно, но не обязательно, чтобы корпус имел ножки, а дно шасси имело вентиляционные отверстия.
Такие отверстия на левой боковой стенке шасси рекомендует Intel. Идея в следующем: отверстия расположены как раз напротив горячей графической карты.

Это решение пока что слабо поддержано производителями, возможно, потому, что, во-первых, острота проблемы снимается
собственными радиатором и кулером у графических карт, во-вторых, повышается уровень шума.
Наличие такого места является обязательным для
современных корпусов, а на системных платах есть разъем для подключения
вентилятора. Возможность установки означает наличие решетки в шасси и мест под
винты. Место под вентилятор отводят сзади, ниже блока питания, примерно
напротив процессорa. Работает вентилятор на выдув. Его работу легко
представить, если предположить, что мощности вентилятора блока питания
недостаточно.
Рекомендуется, чтобы посадочное место
допускало вентилятор размером 80 мм (еще бывают вентиляторы размером 60 мм,
менее эффективные и более «громкие»).
На некоторых корпусах предусмотрено место для
дополнительного вентилятора в нижней части передней стенки шасси. Более того, в
некоторых корпусах такой вентилятор входит в поставку корпуса.

Воздушный поток проходит насквозь, и, на
первый взгляд, это оптимально для охлаждения. На самом деле, во-первых, воздух,
прошедший сквозь вентилятор, нагревается. Во-вторых, вентиляторы создают
основной шум при работе компьютера. Когда эти вентиляторы расположены сзади,
это не так заметно, если же спереди — шум резко повышается.
Кстати, управление вращением вентиляторов (эта
возможность должна быть поддержана как самим вентилятором — наличие тахометра,
так и системной платой — наличие подсистемы мониторинга) наряду со снижением
энергопотребления призвано также уменьшать шум, снижая обороты этих
вентиляторов.
Хорошо, если в состав комплекта входят скобки и крючки для фиксации кабелей на стенках корпуса. Это особенно важно, когда есть широкий кабель до карты SCSI адаптера. Фиксация кабелей возле стенок освобождает путь воздушным потокам.
Некоторые корпуса имеют исполнение отсека для флоповода в виде щели (см. фото). Это выглядит привлекательно, но требует, чтобы привод флоппи имел мощную пружину, далеко выталкивающую дискету. Иначе ее
придется буквально выщипывать из корпуса. Заталкивается она тоже не просто.
Так что такой дизайн скорее отрицательный, чем положительный.

На лицевой стороне находятся как минимум 2 кнопки: включения (Power) и перезагрузки (Reset, сброс).
Кнопки эти разные по назначению, и первое требование к ним заключается в том, что они должны различаться формой и / или цветом и располагаться далеко друг от друга. Неплохо, когда рядом с кнопками или на них нанесена символика.
Кнопка выключения
- нажимается чаще, поэтому должна быть
более заметной: выделяться цветом, размером, или еще как-то; - не должна выступать: так она меньше
повреждается и ее труднее случайно нажать.
Заметим, что для AT лучшим выключателем является тумблер. Для ATX корпусов это не применяется, так как здесь важна еще длительность нажатия: если держать кнопку Power нажатой более 4 секунд, то происходит аварийное выключение питания (выключение неполное и используется для вывода компьютера из тяжелого зависа).
Кнопка перезагрузкиReset, напротив, должна быть мелкой и утопленной, чтобы максимально
затруднить непреднамеренное нажатие на нее. Наилучший вариант, когда она настолько
мелкая, что нажимается только тонким предметом типа шариковой ручки.
На некоторых ATX корпусах ставят кнопку Sleep для того, чтобы перевести компьютер в энергосберегающий режим. Ее наличие нежелательно, так как можно спутать ее с остальными кнопками со всеми
вытекающими печальными последствиями. Тем более, что в некоторых корпусах
кнопка эта неотличима от Reset. Ниже на рисунке представлен пример того,
какими не должны быть кнопки Reset и Sleep (они расположены рядом
внизу и неотличимы друг от друга).

Если же кнопка все же есть, ее нужно не подключать к системной плате и «забыть» про нее, тем более, что в новых Windows это же можно сделать через меню. Есть и 107-клавишные клавиатуры с клавишами «сна».
Повторим, что миниатюрный корпус — не лучший
вариант и в смысле охлаждения, и в смысле расширяемости.
Высота башни должна быть достаточной, чтобы загородить дисплей от бокового света. Для 17-дюймовых
дисплеев это не менее 42 см. Кроме того, это почти гарантирует, что блок
питания располагается без перекрытия (см.).
Глубина корпуса бывает 42-50 см. Глубина от 45 см обеспечивает комфортную манипуляцию с шлейфами
приводов, располагающихся напротив блока питания, вентиляцию и возможность
установки широких двухпроцессорных плат. Указанная глубина 45 см относится к
корпусу с «мордочкой» нормальной толщины 2 см (еще бывают различные толстые гнутые лицевые
панели толщиной 4-5 см).
Для корпусов глубиной 45 см и более требуется стол глубиной 80-100 см, чтобы комфортно разместить мышь и клавиатуру и
оставить не менее 5 см для нормальной вентиляции (и чтобы задние кабели не
очень изгибались, если стол придвинут к стене). Такая глубина стола оговорена
также в гигиенических нормах работы за компьютером (на крупных предприятиях
плакат обычно есть в отделе охраны труда).
Ширина корпуса особой роли не играет и диапазон 17-20 см. вполне нормален. Если корпус шире,
то нужно проверить, нет ли перекрытия (см.).
Блок питания в башне располагают обычно в
верхней части корпуса, а ниже его располагается системная плата. В достаточно
высоких корпусах блок питания располагается полностью над системной платой, так
что их проекции на боковую стенку не пересекаются. Это обычное расположение — «без перекрытия» — наиболее удобное. Блок питания расположен «горизонтально».


Для того, чтобы снизить высоту корпуса (а
также вес и стоимость) блок располагают «вертикально». В результате указанные проекции частично
пересекаются, блок «перекрывает» плату.


Это создает следующие неудобства:
- процессор закрыт блоком питания, поэтому
для работы с процессором нужно сначала демонтировать блок питания (или вести
работы вслепую); - блок
питания загромождает место около процессора, ухудшая его обдув; - ограничивается высота процессорных плат
(для использования сокетного процессора в системной плате со слотовым гнездом).
Специальные низкопрофильные платы (например, от Asus) более дорогие, чем
обычные.
Совет: Выбирайте
корпуса «без перекрытия«.
Перекрытие легко распознается без открытия
корпуса осмотром сзади вентиляционной решетки блока питания. Кроме того, высота
таких корпусов не превышает 39 см, а ширина составляет порядка 22 см, что
больше обычных 17-19 см.
Снимающаяся левая боковая стенка (если
смотреть со стороны лица) обеспечивает легкий доступ к внутренним компонентам.
В настоящий момент это стандартная возможность (раньше использовался П-образный
кожух).
У некоторых корпусов снимаются обе стенки.
Для быстрого снятия стенок вместо традиционных
нескольких винтов применяют 2 винта с головкой в насечках (барашек) или один
такой винт и отжимающиеся защелки. Все это позволяет обходиться вообще без
отвертки.
В некоторых корпусах применяют также
выезжающую раму, на которой размещается пластина с системной платой. В
результате обеспечивается полный доступ к плате. Вставленные карты вынимать не
надо, однако все кабели надо отключать от платы, а также разворачивать корпус
от стенки. Все это снижает привлекательность этого решения. Да и необходимость
такого полного доступа к системной плате появляется нечасто.
Основным параметром качества корпуса является
толщина металла его шасси (несущей рамы), а также стенок (кожуха). Если шасси
сделано из толстого металла, то практически отсутствует шум и вибрация.
Теплоотвод от жестких дисков и других приводов также улучшается (за счет оттока
тепла по шасси). Кроме того, такой корпус прочен, что также важно. Если шасси
добротное, то такими же являются и стенки (кожух). Наоборот, у дешевых корпусов
стенки легко прогибаются, как жесть.
Толстым считается шасси из листа толщиной 1 мм. Обычные шасси делают из листа 0.8 мм,
дешевые — из более тонкого.
Совет: Считайте толщину шасси в 1 мм большим плюсом.
У дешевых корпусов края шасси не обрабатываются. Поэтому при монтаже, если самостоятельно не
поработать надфилем, можно порезать руку или загнать металлическую занозу.
Хорошие корпуса имеют шасси с обработанными гладкими краями.
Речь идет о том, чтобы заменять (вынимать,
вставлять) такие приводы не снимая пластину с системной платой, а только сняв
стенки (или даже одну стенку). Все дело в доступе к винтам крепления приводов с
правой стороны. Эти винты закрываются пластиной, несущей системную плату.
Существуют корпуса, где указанная замена
возможна, например, в следующих случаях:
- Сдвигающийся вбок короб приводов.
Он выдвигается на салазках влево и снимается. Заметим только, что, если такой
короб охватывает и привод, вставленный в малый отсек (типа флопповода), то
придется также снимать и лицевую панель корпуса. - Сдвигающийся вперед короб приводов.
Не имеет ограничений предыдущего решения. Лицевая
панель корпуса делается легкосъемной. - Отверстия напротив винтов.
На пластине, несущей системную плату, делаются отверстия напротив винтов, так
что магнитной отверткой можно исхитриться поработать с винтами. - Сдвигающаяся рама
Пластина, на которую крепится системная плата, смонтирована на раме,
выдвигающейся назад на салазках. Тогда достаточно отодвинуть раму (отодвинув
защелку) на 10-15 см и получить доступ к правым винтам. Кабели приводов при
таком малом сдвиге снимать не надо. Обычно не надо снимать и тонкие проводки
светодиодов, так как у большинства ATX плат они находятся в нижнем ближнем углу
платы.
Хороший корпус должен быть экранирован, т.е. не выпускать наружу радиочастотные
помехи, которые мешают внешним устройствам и бытовой электронике. Рядом с таким
корпусом можно, например, смело размещать FM-тюнер и его звук не покроется
треском и шипением.
Критерием является наличие в спецификации
соответствия жесткому американскому стандарту FCC Class B на величину излучения от офисных и домашних
компьютеров. Заметим, что иногда термин Class
B в документации опускают.
Экранирование выполняется за счет плотного
прилегания стенок к шасси посредством специальных лапок.
Заметим, что есть специальные корпуса, которые изнутри покрыты пермаллоем — материалом, не пропускающим низкочастотные электромагнитные излучения. Цена таких корпусов может достигать $200.
Этот процессор спроектирован «с нуля» и рассчитан
на сверхвысокие частоты. Поэтому, несмотря на малую литографическую норму
(которая часто называется просто технологией), он не мог не получиться
горячим. Поэтому компания Intel разработала для этого процессора ряд
рекомендаций. В частности, процессору требуется специальный корпус, а также
блок питания.
Горячие процессоры снабжаются большими
радиаторами. Если радиатор высокий (как, например, некоторые модели популярной
марки «Golden Orb»), то
при вертикальном расположении системной платы (как во всех башнях) радиатор создает большой рычаг. Интел предлагает крепить радиатор в
конечном счете к пластине, несущей системную плату, через отверстия в этой
плате.
Поэтому пластина имеет дополнительные 4
отверстия, к которым крепятся специальные полые ножки-втулки с внутренней
резьбой. Ножки входят в комплект корпуса.

К этим ножкам уже крепится сама системная
плата и удерживающий механизм (входит в комплект платы) посредством длинных
винтов (входят в комплект шасси и/или платы).

Подчеркнем, что следовать этой рекомендации
необязательно и есть другие успешные решения от известных производителей
системных плат.
Спецификация ATX12V является дополнением к
спецификации ATX 2.03 и предлагает, в частности, следующие улучшения блока
питания:
- Повышенную способность питать устройства постоянного тока, потребляющие 12 В. Связано
с тем, что число таких устройств растет. - Блок питания имеет дополнительный
4-контактный (2×2)кабель для напряжения 12 В. На системной плате должен быть соответствующий ответный
разъем. Стандартный 20-контактный разъем (2×10) не изменился. - Блок питания может иметь опциональный дополнительный
6-контактный (1×6)кабель с постоянными напряжениями 3.3 и 5.5 В, которые требуются некоторым
чипсетам. На системной плате должен быть соответствующий ответный разъем.
Заметим, что эта спецификация является
опциональной и некоторые системные платы допускают и обычный блок питания.
Заметим, что в настоящее время процессоры AMD
Athlon являются даже более «горячими», чем Intel P4 (так как используют бОльшую
литографическую норму — 0.18 против 0.13 у Intel). Для тактовых частот
1000..1400 тепловая мощность составляет 55-70 Вт.
Для первых моделей AMD даже рекомендовала блок питания мощностью 300 Вт.
AMD не требует специальных корпусов, но рекомендует:
- Блок питания с передними
вентиляционными отверстиями (наряду с донными).

- Задний дополнительный вентилятор размером
80 мм, работающий на выдув.

- Использование сертифицированных AMD блоков питания (на соответствие процессору) мощностью от 250 Вт.
Как выбрать хороший корпус для компьютера
Прошло уже довольно много времени, но все же после очередного заезда в сервис по работе с подвеской, всплыли интересные моменты в работе, которую выполняла контора под названием команда а.. Почему так поздно пишу отзыв, ответ прост, многое выявил при приемке, которая затянулась на 2 дня! А в течение двухлетнего периода до сих пор нахожу все новое и новое!!! Ну не могу я молчать, я не понимаю, как можно так отвратительно выполнять свою работу?! Нужно, наверное, ненавидеть ее.
Начну сначала по фактам косяков..
1. Сломан разъем управления АКПП и залит антифризом — ответ — «это болезнь всех Митсубиси и ниссанов»
2. Повреждена новая ступица задняя путем просверливания магнитной полосы сверлом, внимание!!! Для того чтобы почистить отверстие под датчик АБС. Выявление косяка заняло весь рабочий день!!! Выявил я сам под машиной! Мне же больше всех нужно, видимо. Заменили ступицу на б/у..
3. Отдали машину с не закреплённой пластиной поддержки кардана! Вернулся в сервис с грохотом провисшего кардана, который чудом не выпал совсем.
4. Не правильно собрали экраны выпускных коллекторов, согнули крепления, результат- вибрация и дребезг ведра! На замечание реакция — они у вас сгнили, там держаться нечему. Собрал как должно быть, следы гнили не нашел, искал..
5. Без моего ведома, без согласования, сами приняли решение и за 5тр сварили кронштейн двс, который на разборке стоит 2тр.
6. При установке АКПП повредили новый сальник вала, позвонили и обвинили в том, что акпп плохая, туда уже лазили, поэтому лужа.. взяли новый сальник опять сняли акпп поставили и коробка стала хорошая. А время при этом идёт..
7. Очень много проводов и разъемов не на своих местах, положены на от…сь.
8. Ну и собственно, почему я решил написать все же отзыв, так сказать, добило меня:
Перепутаны рычаги подвески левая и правая стороны, линки стабов из-за этого не в своем положении, сайлентблоки стоят не в своем положении. Развал сделать нормально было нереально.
Все выполненные работы проводили разные люди, после приключений с карданом была просьба руководству проверить все ещё раз, проверили..
Вот и делайте выводы.
По покрасочным работам вопросов нет, за что Виталию большой респект.
А вот ответ руководства:
Ничего себе, эхо из 2022 года.
Блин, Павел, нет таких цензурных слов, чтобы они выразили всю глубину чувства вины, которую мы до сих пор перед тобой испытываем, я вообще не понимаю, как ты решился привести нам машину на покраску после всей этой долбаной истории с аутлэндером. И, как обычно, косячат механики, отдувается руководство.
Но по порядку: машиной занимались два человека — первым был господин Кирилл, который был недавно нанятым механиком на испытательном сроке, и перебирал там всю ходовую и снимал АКПП для замены заднего сальника коленвала, то есть приложил свои кривые ручонки везде, где только можно, и начудил там, мама не горюй. Кирилл после этого случая был оставлен на работе «до следующего косяка», который долго не заставил себя ждать, и успешно уволен через неделю после этих событий, когда мы поняли, что он из себя представляет как механик. Кроме твоей машины аукнулись ещё несколько автомобилей, где он накосячил. По итогу, мы в течение полугода разгребали за ним косяки, которые он успел натворить за две недели работы. История 2022 года, а сейчас вот 2021, а вылезает отзыв с одной звездой за то, что он ещё и левые с правыми рычаги подвески умудрился перепутать. Человек-легенда в нашем сервисе. Чтоб ему икалось.
АКПП на контрактную менял уже Рома. Рома работает до сих пор, и показывает себя ответственным специалистом, на него жаловаться не могу, мы и клиенты его работой довольны.
Теперь по пунктам.
1. Это, насколько помню, было после снятия АКПП Кириллом. Загнул пин в разъеме, не заметил, еще и фишку от антифриза не продул. Или это при замене на контракт? Честно, не помню, а в заказ-нарядах эти пляски не отображены, а Рома у меня такой ерундой не страдал никогда.
2. Кирилл. Засунул сверло в отверстие датчика АБС, а потом сутки строил из себя дурака, и делал вид, что ищет причину неисправности. Когда его наконец заставили снять ступицу, и увидели поврежденный магнитный диск АБС, на него наорали, хотя он так и не признался, что это он, и он так и бухтел, оплачивая ступицу с авторазбора.
3. Кирилл… После того, как машина трое суток не могла выехать из сервиса из-за того, что он устранял свои косяки, а когда устранил, машина доехала до ворот, и у неё отвалилось крепление кардана… Я был готов засунуть этот кардан ему в задницу в этот момент…
4. Обычно, вопрос клиента, как этот, про дребезг, задаётся мной механику, а клиенту мной же озвучивается ответ, который даёт механик. В этот раз механиком был Кирилл, у которого не хватило мозгов собрать всё так, как было, и также не хватило мозгов понять, что он не так сделал. Мне же на тот момент не хватило мозгов понять, что Кириллу верить на слово ну никак нельзя. Надо было загнать машину и проверить за ним работу, но это сделано не было. Имеем, что имеем.
5. По заказ-наряду ремонт кронштейна стоил 2800р. Я быстро его тогда не нашел по разборкам, решили, что проще починить. Не согласовали, каюсь, но аргон был под боком, а по разборкам ездить надо.
6. Опять же, дело давнее, не помню, кто там, что, и с чьих слов говорил про причину течи, но закосячить сальник при установке — не такая редкость в нашей работе. Возможно, увидели течь, но сначала не поняли, что это сальник, а на коробке присутствовал не заводской герметик, поэтому так и сказали. Но за свой счёт коробку сняли повторно, причину выявили, косяк признали, заменили сальник, сделали скидку 1000р за неудобства. Потерянное время — да, плохо, но так случается. Не вижу в этой ситуации чего-то ужасного, кроме, разве что, того, что один из примерно 30 текущих после замены сальников пришёлся как раз на твою многострадальную машину.
7. Не видел, не могу комментировать, возможно эхо того же Кирилла, который разбирал пол-машины.
8. Кирюша, Кирюша. После отпавшего кардана я его заставил при мне протягивать все болты ходовой части и крепления двигателя и АКПП. Но как нам заметить, что рычаги перепутаны местами? Как вообще можно подумать, что он стороны перепутает? Не представляю. Также не представляю, как их вообще перепутать нормальному механику. Но нормальный механик — это не про Кирилла.
Что сказать в завершение — я ждал эту 1 звезу еще в 2022, и был уверен, что мы тебя больше здесь не увидим. Уровень нашего с директором ох*евания от происходящего при том ремонте сложно переоценить, но знать, что этот человек, которого при том наняли по рекомендации, окажется настолько «талантливым» механиком, заранее мы не могли, а когда узнали, было уже поздно.
Не знаю, что бы я сам сделал, если бы при мне с моей машиной вытворяли такое, тогда мне казалось, что ты наш сервис просто сожжёшь. А ты не только достаточно спокойно для уровня происходящей дичи реагировал на ситуацию, а ещё и приезжал после этого на несколько крупных ремонтов, включая кузовной.
Спасибо тебе, в любом случае, за отзыв, за терпение и за то, что не убил нас тогда молотком.
